Unternehmensprofil
Unternehmensprofil
Geschichte
Nuova Ricambi in der Welt
News
Press review
Kontakt
Karriere
Anmelden
Login
DE
Italiano
English
Español
Suchen nach Marke
3M
AEROPRESS
ANFIM
ARTPRESSO
ASTORIA/CMA
BEZZERA
BFC
BIALETTI
BNZ
BRAS
BRASILIA
BREMA
BRUGNETTI
BWT
CAFELAT
CARIMALI
CASADIO
CEADO
CIMBALI
CIME
COFFEE QUEEN
COMENDA
COMPAK
CONTI
CREMA PRO
DALLA CORTE
DVA
ECM
ECM DE
EDO
ELEKTRA
EUREKA
EXPOBAR
FAEMA
FIAMMA RST
FIORENZATO M.C
FOAM LOCUS
FRIMONT-FAEMA
FUTURMAT
GAGGIA
GENE CAFE
HARIO
HEYCAFE'
HIROIA
IPA
ISOMAC
IWAKI
LA MARZOCCO
LA PAVONI
LA SAN MARCO
LA SPAZIALE
LUX-DELUX
MACAP
MAZZER
METALLURGICA MOTTA
MODBAR
MONOLITH
NUOVA SIMONELLI
OBEL
OCS VERSCHIEDENE
PRO-FONDI
PROFITEC
PROMAC
PULLMAN
PULY CAFF
PUSH TAMPER
PäLLO
QUAMAR
RANCILIO
RENEKA
ROCKET
ROSSI
ROYAL
SANREMO
SIMAG
SIPRESSO
UGOLINI
VIBIEMME
VICTORIA ARDUINO
WEGA
Suchen nach Art des Ersatzteils
BARISTA ZUBEHÖR
EISMASCHINE
ERSATZTEILE FÜR ESPRESSO KAFFEEMASCHINEN
ICE CRUSHER
INDUSTRIELLE KüHLUNG
KAFFEEMÜHLE
KAFFEEMÜHLEN
KOCHEN
OCS VERSCHIEDENE
SPÜLTECHNIK
UNIVERSALE ERSATZTEILE
AUSKLOPFKASTEN
AUTOMATISCHER TAMPER
AUTOMATISCHES REINUNGSSYSTEM
BARISTA KIT
BÜCHER
BÜRSTEN UND PINSEL
COFFEE DRIPPER
CUPPING
DUSCHE UND FILTER COMPETITION
EDO
KAFFEERÖSTER
KAFFEEVERTEILER
KAKAOSTREUER
MANUELLE KAFFEEMÜHLE
MATTE UND HALTER AUS EDELSTAHL
MECHANISCHE KAFFEEMASCHINEN
MERCHANDISE
MESSGERÄTE
MILCHAUFSCHÄUMER
MILCHKANNEN
MOKA KAFFEEKANNE
REINIGUNGSZUBEHOR
STIFT LATTE ART
TAMPERS
TASSEN
THERMOMETER
WAAGE UND MESSGERÄTE
WASCH-MILCHKANNE
BREMA
FRIMONT-FAEMA
SIMAG
Abflussrohre
bakterientötende Geräte
Deflektoren
Druckwächter
Einspritzdüsen
Elektronische Karten
Elektropumpen
Filter
Fünfwertigmotoren
Gardinen
Getriebemotoren
Kondensatoren
Lager
Level probes
Lieferrohre
Magnetventile
Magnetventile Gaz
Microshalter
Paletten
Palettewellen
Programmierer
Rohrleitungen
Schalen
Schalen
Schalter
Thermostate
Türen
Ventilatorsmotoren
Verbindungen
Verdampfer
Würfelschütten
Überläufe
ASTORIA/CMA
BEZZERA
BFC
BRASILIA
BRUGNETTI
CARIMALI
CASADIO
CIMBALI
CIME
COFFEE QUEEN
CONTI
DALLA CORTE
ECM
ECM DE
ELEKTRA
EXPOBAR
FAEMA
FIAMMA RST
FUTURMAT
GAGGIA
ISOMAC
LA MARZOCCO
LA PAVONI
LA SAN MARCO
LA SPAZIALE
MODBAR
NUOVA SIMONELLI
PROFITEC
PROMAC
RANCILIO
RENEKA
ROCKET
ROYAL
SANREMO
VIBIEMME
VICTORIA ARDUINO
WEGA
BRAS
UGOLINI
Abteilungsventile
Ausgleichsventile
Dichtungen für Schnellkühler
Digitale Temperaturregler
Digitale Thermometer
Druckregler
Druckwächter
Druckwächtersventile
Elektronische Karten
Feder
Feuchtigkeitanzeiger
Fünfwertigmotoren
Füße
Gasnachfüllröhre
Geräte
Griffe
Grillsführungen
Grillshaltungen
Heizkörper
Kerntemperaturfuehler
Klebstoffe und Aufkleber
Kompressoren
Kondensatoren
Kupferröhre
Kühlschrankdichtungen
Kühlschrankgrills
Lampade spia
Magnetventile Gaz
Maßgeschneidertdichtungen
Microshalter
Molekulaler Filter
Noträder mit Kissen
Programmierer
rechte Ventilatoren
Reinigungsmittels
Schalen
Schalter
Schalttafel
Scharniere
Schlösser
sekundäre Verriegelung
Stangeprofildichtungen
Streifenvorhang für Kuehlhaus
Stutzen
Thermometer
Thermostate
thermostatische Ventile
Thermostatshandgriffe
Trockner Filter
Vakuummeter
Ventilatorsmotoren
Verdampfer
Zelledichtungen
* MAHLSCHEIBEN *
ANFIM
BNZ
CEADO
COMPAK
EUREKA
FAEMA
FIORENZATO M.C.
HEYCAFE'
LUD-DELUX
MACAP
MAZZER
NUOVA SIMONELLI
OBEL
QUAMAR
RANCILIO
ROSSI
SAN MARCO
KAFFEEDOSE ADAPTER
KAFFEEMÜHLEN
Abflusshähne
Abzugshaube Elektronischeregler
Abzugshaubefilter
Behälter
Brenner
Brennköpfebrenner
Dampfsicherheitsventile
digitale Thermostate
Druckregler
Edelstahlfüße
Eingang Wasserhähne
elektrische Kochplatten
Energieregler (Simmostat)
Entzündungskabel, Hüllen
Faston - Steckern
Feder für Toaster / Scharniere
Fernschalter
Fette, Klebstoffe
Flammenregulierer
Friteusekörbe
Gasdüsen
Gashähne
Gasrohre
Griffe, Verschlusse
gusseisen Kochplatten
Handgriffe
Heizkörper
Kerzen
Kessel
Klemmenblöcke
Klingeltöne
Kochfeldgrill
Kondensatoren
Kontrollampen
Lavasteinen und feuerfeste Platten
Lavasteingrill
LPG-Regler
Magnetventile
Messgeräte
Mikroschalter
Moka Verkleinereungen
Motoren - Ofenluftungsräde
motorisierte Abflussventi
Niveaudruckwächter
Nudelkocherkörbe
Ofendichtungen
Ofendusche
Ofengrillen
Piezo Entzündung
Pilotbrenner
Reibahlen, Kaliber
Reinigungsmittel
Ringformige Wärmeaustauscher
Rubinetti distributori
Schalen
Schalter
Schalter, Tasten
Scharniere
Schmelzsicherung
Schmorpfannehandgriff
Sonden
Tangential- und Ventilatorsmotoren
Termostatische Hähne
Thermalen
Thermoelemente
Thermometer
Thermostate
Transformatoren
Valvole gas
Ventilatori centrifughi
Verbindungen
verschiedene Geräte
Vibrationspumpe
Überlaufstopfen
Zeitschalter
OCS
1 Wegventile
Abfallstoffebefreienringe
Abflussmagnetventile
Abflussrohre
Angelrollehalterungen
ARME
Behälter
Blockgeräte - Spitzen
COMENDA-FAEMA
DICHTUNGEN
DOSIERPUMPEN
DRUCKWÄCHTER
EINSPRITZDÜSEN
Elektronische Karten
Entkalkersbauelementen
Entwesungsmittel
Feder
Fernschalter
Gardinen
Gleitungsrollen
Griffe
Gummihalterung
Handgriffe
HEIZKÖRPER
HÄHNE
Kessel
Klarspülmittelbehälter
Klemmenblöcke
Kolbenhalterungshülle
Kondensatorriemen
KONTROLLAMPEN
KÖRBE
Lieferrohre
Luftfallen
MAGNETVENTILE
Mangelbahnen, Wachs
MECHANISCHE HALTERUNGEN
MICROSCHALTER
MOTORPUMPEN
Programmierer, Timer
Relais
Salzbehälter
SCHALTER
SCHALTER
Scharniere - Türanker
SCHNAPSCHLOSS
SIEBE
Spülbecken
STANDROHRE
Tasten, Schalter
Thermometer
THERMOSTATE
Timeranlasser
Türdichtungen
Türschnappverschluss
VERBINDUNGSSCHLÄUCHE
AUSLÄUFE
BODENLOSE SIEBTRÄGER
Desinfektionsmittel
DICHTUNGEN AUS SILIKON
DRÜCKWÄCHTER
ELEKTRISCHE UND ELEKTRONISCHE TEILE
FÜßE
GAS
HÄHNE
INSTANDHALTUNGSTEILE
KNOPFEN
KOMPLETTE GRUPPEN
MAGNET VENTILE
MANOMETER
MESSZUBEHÖR
MILCHSCHAEUMER
MOTOREN
NIVEAURGLER
PROFESSIONELLREINIGUNGSMITTEL
PUMPEN
SCHALTER
SCHALTERN
SCHAUGLÄSER
SCHLAEUCHE
SICHERHEITSVENTILE
SIEBTRÄGER
SIEBTRÄGER FÜR KAPSELN
SIEBTRÄGER FÜR PADS UND TEFLON BESCHICHTETE SIEBTRÄGER
SIEBTRÄGER MIT HOLZHANDGRIFF
SIGNALLAMPE
T-SHIRT
VERBINDUNGEN
WASSERBEHANDLUNG
WÄRMETASSEN ERSATZTEILE
Unternehmensprofil
Unternehmensprofil
Geschichte
Nuova Ricambi in der Welt
News
Press review
Kontakt
Karriere
CONTI
ERSATZTEILE FÜR ESPRESSO KAFFEEMASCHINEN
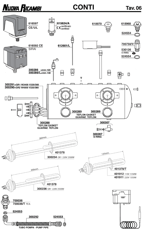
Blatt Conti 06
ERSATZTEILE FÜR ESPRESSO KAFFEEMASCHINEN
Conti 06
6 / 7
Zusätzliche Informationen erfragen
Blatt drucken
Document not found!
Produkt auf dem Blatt auswählen
Listenpreis
€
€
Menge
-
+
In den Warenkorb
Siehe Einzelheiten
Nummer
Listenpreis
€
€
-
+